Bát Sen Gắn Tường TOTO TBW01003A
1. Giới thiệu sản phẩm
TOTO TBW01003A là mẫu bát sen tắm gắn tường cao cấp với thiết kế tròn đường kính 220 mm, thuộc dòng sản phẩm hiện đại của TOTO. Sản phẩm mang lại trải nghiệm tắm thư giãn nhờ công nghệ phun Comfort Wave, kết hợp thiết kế tinh tế và chất lượng bền bỉ.
2. Đặc điểm nổi bật
-
Thiết kế tròn lớn – Ø 220 mm, tạo độ phủ rộng và cảm giác thoải mái cho người dùng.
-
Công nghệ phun Comfort Wave — tia nước massage êm dịu và tiết kiệm nước.
-
Chống rơi an toàn — tính năng bảo vệ chống trượt, giữ sen chắc chắn khi sử dụng.
-
Lớp mạ bền bỉ (Nickel–Chrome), sáng bóng và chống ăn mòn hiệu quả theo thời gian.
-
Dễ sử dụng, vật liệu cao cấp — nhựa ABS mạ Ni‑Cr, dễ lau chùi, kéo dài tuổi thọ sản phẩm.
3. Lợi ích khi sử dụng
-
Mang đến trải nghiệm tắm thư giãn với tia nước nhẹ nhàng và hiện đại.
-
Thiết kế lớn, che phủ rộng, phù hợp với nhiều không gian phòng tắm.
-
Sản phẩm chất lượng, ít hỏng, tiết kiệm chi phí bảo trì.
-
Tăng tính thẩm mỹ, giúp phòng tắm sang trọng và bắt mắt hơn.
4. Ứng dụng
Phù hợp lắp đặt tại gia đình, căn hộ, khách sạn, resort và các công trình hiện đại cần sự tiện nghi, sang trọng và tinh tế.
5. Thông số kỹ thuật
-
Mã sản phẩm: TBW01003A
-
Loại sản phẩm: Bát sen tắm gắn tường (Wall-Mounted Shower Head)
-
Kích thước: Ø 220 mm
-
Chế độ phun: Comfort Wave – 1 chế độ
-
Vật liệu: Nhựa ABS mạ Nickel–Chrome
-
Áp lực nước hoạt động: 0.05 ~ 0.75 MPa (áp lực động đến tĩnh)
-
Tính năng bổ sung: Chống rơi (anti-drop mechanism), lớp mạ bền đẹp
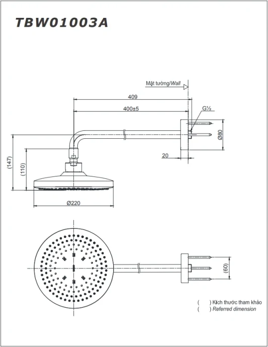
6. Bản vẽ kỹ thuật 2D bát sen âm tường TBW01003A

7. Kết luận
Với thiết kế gắn tường sang trọng, lớp mạ cao cấp và tính năng Comfort Wave thư giãn, TOTO TBW01003A là lựa chọn lý tưởng cho phòng tắm hiện đại. Sản phẩm không chỉ tiện nghi, dễ sử dụng mà còn nâng tầm trải nghiệm sống của bạn.



