Vòi Lavabo Nóng Lạnh Gắn Tường TOTO TLG07308BB
1. Giới thiệu sản phẩm
TOTO TLG07308BB là mẫu vòi lavabo gắn tường cao cấp thuộc bộ sưu tập GE Series, nổi bật với phong cách hiện đại và lớp mạ đen mờ cá tính. Sản phẩm không chỉ tiện nghi khi sử dụng mà còn góp phần làm nổi bật sự sang trọng và đẳng cấp cho không gian phòng tắm.
2. Đặc điểm nổi bật
-
Thiết kế gắn tường gọn gàng, tiết kiệm diện tích, tối ưu không gian.
-
Lớp mạ đen mờ (Matte Black) sang trọng, chống bong tróc và gỉ sét.
-
Tay gạt gật gù nhẹ nhàng, điều chỉnh nước nóng lạnh dễ dàng.
-
Van đĩa sứ bền bỉ, chống rò rỉ, vận hành ổn định lâu dài.
-
Chất liệu đồng thau cao cấp, an toàn và bền đẹp theo thời gian.
3. Lợi ích khi sử dụng
-
Mang lại sự tiện nghi, thoải mái trong quá trình rửa tay, rửa mặt.
-
Tạo điểm nhấn thẩm mỹ sang trọng, hiện đại cho phòng tắm.
-
Giúp tiết kiệm nước nhưng vẫn đảm bảo dòng chảy mạnh mẽ.
-
Độ bền cao, ít hư hỏng, giảm chi phí bảo dưỡng.
4. Ứng dụng
Phù hợp lắp đặt tại gia đình, căn hộ, khách sạn, resort và các công trình cao cấp cần sự tiện nghi và tinh tế.
5. Thông số kỹ thuật
-
Mã sản phẩm: TLG07308BB
-
Loại sản phẩm: Vòi lavabo nóng lạnh gắn tường
-
Bộ sưu tập: GE Series
-
Chất liệu: Đồng thau cao cấp
-
Lớp mạ: Đen mờ (Matte Black)
-
Áp lực nước: 0.05MPa ~ 0.75MPa
-
Van điều khiển: Van đĩa sứ chống rò rỉ
-
Thương hiệu: TOTO
-
Xuất xứ: Việt Nam
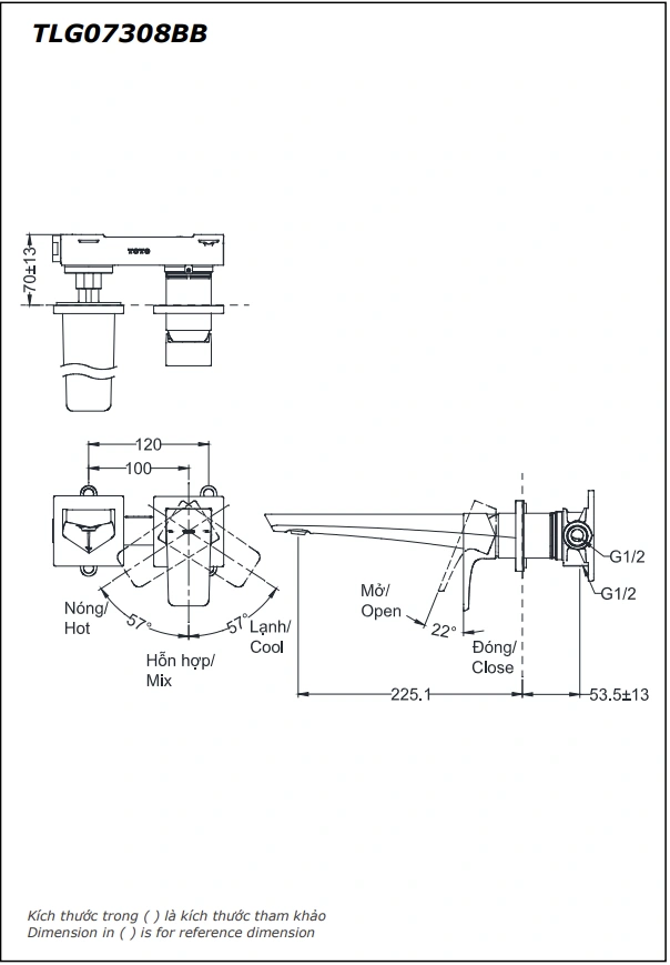
6. Bản vẽ kỹ thuật 2D vòi lavabo âm tường TLG07308BB

7. Kết luận
Với thiết kế gắn tường tinh tế, lớp mạ đen mờ sang trọng và chất liệu bền bỉ, TOTO TLG07308BB là lựa chọn lý tưởng cho phòng tắm hiện đại. Sản phẩm mang lại sự tiện nghi, tiết kiệm nước và khẳng định phong cách sống đẳng cấp.



