Vòi Lavabo Nóng Lạnh Gắn Tường TOTO TLG08307BA
1. Giới thiệu sản phẩm
TOTO TLG08307BA là mẫu vòi lavabo nóng lạnh gắn tường cao cấp thuộc bộ sưu tập GC Series, mang phong cách thiết kế hiện đại, thanh thoát. Với lớp mạ sáng bóng, chất liệu bền bỉ và công nghệ tiên tiến, sản phẩm mang lại trải nghiệm tiện nghi và tôn vinh vẻ đẹp sang trọng cho phòng tắm.
2. Đặc điểm nổi bật
-
Thiết kế gắn tường gọn gàng, tối ưu diện tích, tạo sự tinh tế cho không gian.
-
Kiểu dáng thanh thoát, hiện đại, dễ kết hợp với nhiều loại lavabo.
-
Tay gạt gật gù mượt mà, điều chỉnh nhiệt độ và lưu lượng nước linh hoạt.
-
Lớp mạ Nickel – Crom sáng bóng, bền đẹp, chống bong tróc và ăn mòn.
-
Van đĩa sứ cao cấp, chống rò rỉ, vận hành bền bỉ theo thời gian.
3. Lợi ích khi sử dụng
-
Mang đến sự tiện nghi, thoải mái khi sử dụng hằng ngày.
-
Giúp phòng tắm gọn gàng, hiện đại và sang trọng hơn.
-
Tiết kiệm nước hiệu quả, thân thiện với môi trường.
-
Độ bền cao, ít hư hỏng, giảm chi phí bảo trì.
4. Ứng dụng
Phù hợp lắp đặt tại gia đình, căn hộ, khách sạn, resort và các công trình cao cấp cần sự tinh tế và tiện nghi.
5. Thông số kỹ thuật
-
Mã sản phẩm: TLG08307BA
-
Loại sản phẩm: Vòi lavabo nóng lạnh gắn tường
-
Bộ sưu tập: GC Series
-
Chất liệu: Đồng thau cao cấp
-
Lớp mạ: Nickel – Crom bền đẹp
-
Áp lực nước: 0.05MPa ~ 0.75MPa
-
Van điều khiển: Van đĩa sứ chống rò rỉ
-
Thương hiệu: TOTO
-
Xuất xứ: Việt Nam
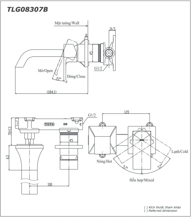
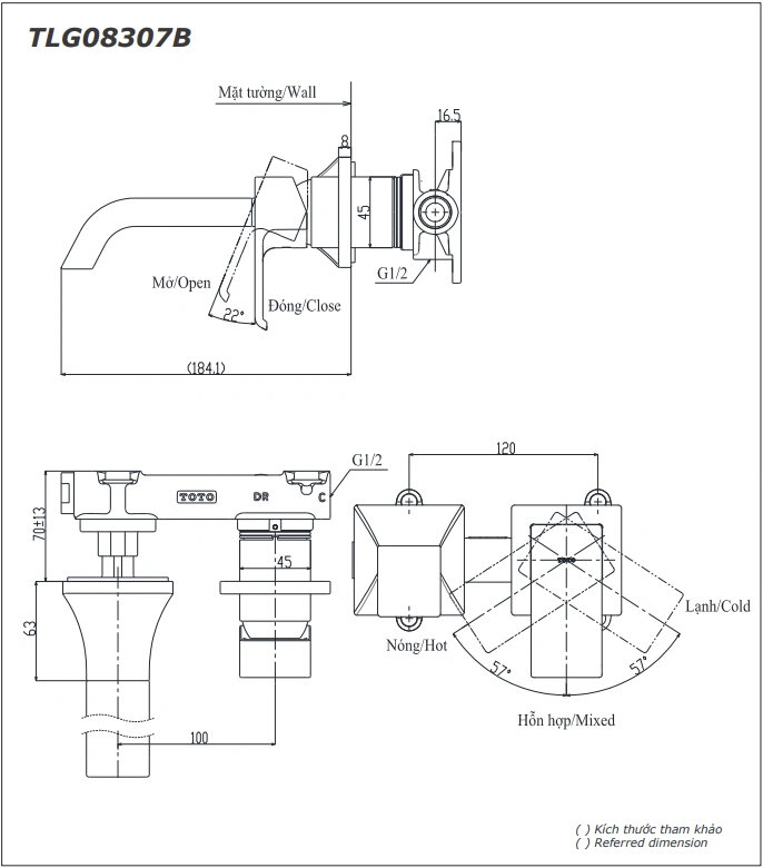
6. Bản vẽ kỹ thuật 2D vòi lavabo âm tường TLG08307BA

7. Kết luận
Với thiết kế gắn tường tinh tế, lớp mạ sáng bóng và chất liệu bền bỉ, TOTO TLG08307BA là lựa chọn lý tưởng cho không gian phòng tắm hiện đại. Sản phẩm mang đến sự tiện nghi, sang trọng và khẳng định phong cách sống đẳng cấp cho gia chủ.



