Vòi Lavabo Nóng Lạnh Gắn Tường TOTO TLG11308BA
1. Giới thiệu sản phẩm
TOTO TLG11308BA là mẫu vòi lavabo gắn tường cao cấp, mang phong cách thiết kế hiện đại, tối giản và tiện nghi. Với đường nét tinh tế cùng chất liệu bền bỉ, sản phẩm giúp tối ưu không gian phòng tắm và nâng tầm thẩm mỹ, mang lại sự sang trọng vượt trội.
2. Đặc điểm nổi bật
-
Thiết kế gắn tường gọn gàng, tiết kiệm diện tích, tạo sự tinh tế cho không gian.
-
Kiểu dáng thanh thoát, sang trọng, dễ kết hợp với nhiều loại lavabo.
-
Cần gạt gật gù vận hành mượt mà, điều chỉnh nước nóng lạnh dễ dàng.
-
Lớp mạ Nickel – Crom cao cấp, sáng bóng, chống bong tróc và ăn mòn.
-
Van đĩa sứ bền bỉ, chống rò rỉ, đảm bảo độ bền dài lâu.
3. Lợi ích khi sử dụng
-
Mang lại sự tiện nghi và thoải mái trong quá trình sử dụng hằng ngày.
-
Tối ưu không gian, tạo phòng tắm gọn gàng và hiện đại hơn.
-
Nâng cao tính thẩm mỹ, làm nổi bật phong cách sang trọng.
-
Bền bỉ, giảm chi phí bảo trì và thay thế.
4. Ứng dụng
Thích hợp lắp đặt cho gia đình, căn hộ cao cấp, khách sạn, resort và các công trình sang trọng cần sự tinh tế và tiện nghi.
5. Thông số kỹ thuật
-
Mã sản phẩm: TLG11308BA
-
Loại sản phẩm: Vòi lavabo nóng lạnh gắn tường
-
Chất liệu: Đồng thau cao cấp
-
Lớp mạ: Nickel – Crom bền đẹp
-
Áp lực nước: 0.05MPa ~ 0.75MPa
-
Van điều khiển: Van đĩa sứ chống rò rỉ
-
Thương hiệu: TOTO
-
Xuất xứ: Việt Nam
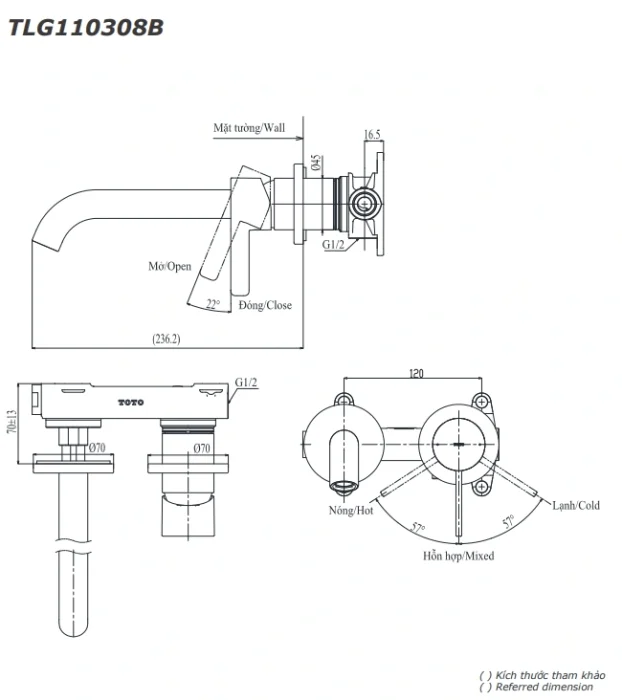
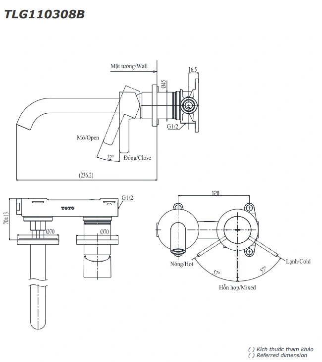
6. Bản vẽ kỹ thuật 2D vòi lavabo âm tường TLG11308BA

7. Kết luận
Với thiết kế gắn tường tinh tế, chất liệu bền bỉ và công nghệ tiên tiến, TOTO TLG11308BA là lựa chọn hoàn hảo cho những phòng tắm cao cấp. Sản phẩm không chỉ mang lại sự tiện nghi mà còn góp phần khẳng định phong cách sống hiện đại và sang trọng.



