Vòi Lavabo Nóng Lạnh TOTO TLG02201BB
1. Giới thiệu sản phẩm
TOTO TLG02201BB là mẫu vòi lavabo nóng lạnh cao cấp với thiết kế tinh tế và phong cách hiện đại. Thuộc dòng sản phẩm sang trọng của TOTO, sản phẩm sở hữu lớp mạ đen mờ cá tính, mang lại sự khác biệt và đẳng cấp cho không gian phòng tắm.
2. Đặc điểm nổi bật
-
Thiết kế để bàn nhỏ gọn, hiện đại, dễ kết hợp với nhiều loại lavabo.
-
Lớp mạ đen mờ (Matte Black) sang trọng, chống bong tróc và gỉ sét.
-
Tay gạt gật gù vận hành êm ái, điều chỉnh nước nóng lạnh linh hoạt.
-
Công nghệ tiết kiệm nước tiên tiến, thân thiện môi trường.
-
Van đĩa sứ chất lượng cao, bền bỉ, chống rò rỉ hiệu quả.
3. Lợi ích khi sử dụng
-
Mang lại sự tiện nghi, thoải mái trong quá trình sử dụng.
-
Làm nổi bật không gian phòng tắm với phong cách hiện đại, sang trọng.
-
Giúp tiết kiệm nước nhưng vẫn đảm bảo dòng chảy ổn định.
-
Độ bền cao, giảm thiểu chi phí bảo dưỡng và thay thế.
4. Ứng dụng
Phù hợp lắp đặt cho gia đình, căn hộ cao cấp, khách sạn, resort và các công trình sang trọng cần sự tinh tế và đẳng cấp.
5. Thông số kỹ thuật
-
Mã sản phẩm: TLG02201BB
-
Loại sản phẩm: Vòi lavabo nóng lạnh để bàn (1 lỗ)
-
Chất liệu: Đồng thau cao cấp
-
Lớp mạ: Đen mờ (Matte Black)
-
Áp lực nước: 0.05MPa ~ 0.75MPa
-
Van điều khiển: Van đĩa sứ chống rò rỉ
-
Thương hiệu: TOTO
-
Xuất xứ: Việt Nam
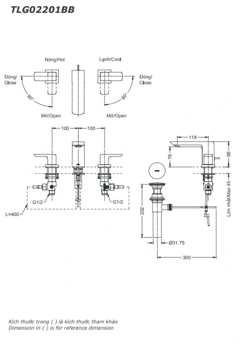
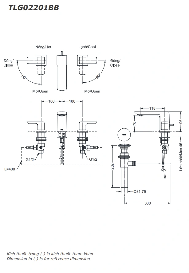
6. Bản vẽ kỹ thuật 2D vòi lavabo tay vặn nóng lạnh TLG02201BB

7. Kết luận
Với thiết kế để bàn hiện đại, lớp mạ đen mờ sang trọng và chất liệu bền bỉ, TOTO TLG02201BB là lựa chọn hoàn hảo cho không gian phòng tắm cao cấp. Sản phẩm vừa mang lại sự tiện nghi, vừa khẳng định phong cách sống hiện đại và cá tính.



