Vòi Lavabo Nóng Lạnh 3 Lỗ TOTO TLG10201B
1. Giới thiệu sản phẩm
TOTO TLG10201B là mẫu vòi lavabo nóng lạnh 3 lỗ cao cấp với thiết kế sang trọng và tiện nghi. Sản phẩm được chế tác từ chất liệu bền bỉ, lớp mạ sáng bóng và công nghệ tiên tiến, mang đến trải nghiệm sử dụng thoải mái cùng vẻ đẹp đẳng cấp cho không gian phòng tắm.
2. Đặc điểm nổi bật
-
Thiết kế 3 lỗ để bàn hiện đại, dễ dàng kết hợp với nhiều loại lavabo.
-
Cần gạt gật gù mượt mà, cho phép điều chỉnh nhiệt độ và lưu lượng nước chính xác.
-
Lớp mạ Nickel – Crom sáng bóng, chống bong tróc, chống gỉ sét.
-
Chất liệu đồng thau cao cấp, bền đẹp, an toàn cho sức khỏe người dùng.
-
Van đĩa sứ chất lượng cao, chống rò rỉ, đảm bảo độ bền lâu dài.
3. Lợi ích khi sử dụng
-
Mang đến sự tiện nghi, thoải mái khi rửa tay, rửa mặt hằng ngày.
-
Nâng tầm thẩm mỹ, tạo điểm nhấn sang trọng và hiện đại cho phòng tắm.
-
Tiết kiệm nước hiệu quả nhờ công nghệ tiên tiến.
-
Bền bỉ theo thời gian, hạn chế chi phí bảo trì và thay thế.
4. Ứng dụng
Phù hợp lắp đặt tại gia đình, căn hộ cao cấp, khách sạn, resort và các công trình hiện đại cần sự sang trọng, tinh tế.
5. Thông số kỹ thuật
-
Mã sản phẩm: TLG10201B
-
Loại sản phẩm: Vòi lavabo nóng lạnh 3 lỗ để bàn
-
Chất liệu: Đồng thau cao cấp
-
Lớp mạ: Nickel – Crom bền đẹp
-
Áp lực nước: 0.05MPa ~ 0.75MPa
-
Van điều khiển: Van đĩa sứ chống rò rỉ
-
Thương hiệu: TOTO
-
Xuất xứ: Việt Nam
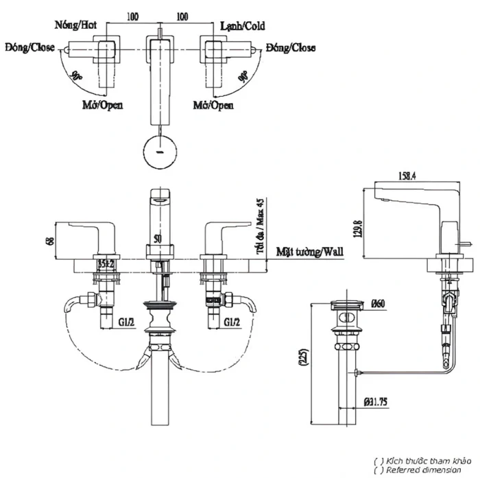
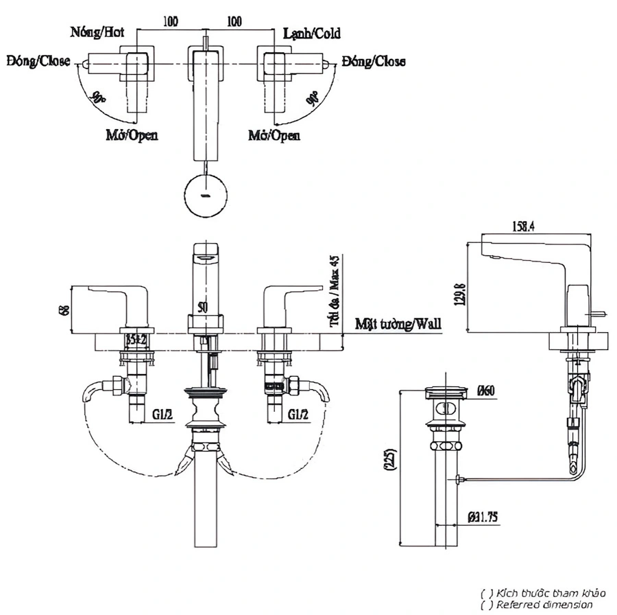
6. Bản vẽ kỹ thuật 2D vòi lavabo tay vặn nóng lạnh TLG10201B

7. Kết luận
Với thiết kế 3 lỗ sang trọng, công nghệ tiên tiến và chất liệu bền bỉ, TOTO TLG10201B là lựa chọn hoàn hảo cho phòng tắm cao cấp. Sản phẩm vừa tiện nghi, vừa nâng cao thẩm mỹ, góp phần khẳng định phong cách sống hiện đại và đẳng cấp.



