TX606KES – Thiết kế hiện đại, bền bỉ và tối ưu chi phí sử dụng
1. Giới thiệu về TX606KES
TX606KES là dòng sản phẩm nổi bật, được đánh giá cao nhờ khả năng vận hành ổn định, tiết kiệm chi phí và độ bền vượt trội. Với thiết kế tinh tế cùng công nghệ hiện đại, TX606KES phù hợp cho nhiều đối tượng sử dụng, từ gia đình cho đến doanh nghiệp.
2. Đặc điểm nổi bật
TX606KES mang đến sự kết hợp hoàn hảo giữa thiết kế nhỏ gọn và hiệu năng mạnh mẽ. Sản phẩm nổi bật với khả năng hoạt động êm ái, tiêu thụ ít điện năng nhưng vẫn đảm bảo hiệu suất ổn định.
Ngoài ra, TX606KES còn được trang bị tính năng an toàn, bảo vệ thiết bị khỏi tình trạng quá tải và hỏng hóc trong quá trình sử dụng, giúp nâng cao tuổi thọ và độ tin cậy.
3. Ưu điểm khi sử dụng TX606KES
-
Tiết kiệm điện năng: Giúp giảm chi phí vận hành lâu dài.
-
Độ bền cao: Vật liệu chắc chắn, chống gỉ sét và ăn mòn.
-
Hoạt động êm ái: Độ ồn thấp, không gây ảnh hưởng đến sinh hoạt.
-
Dễ dàng lắp đặt: Phù hợp nhiều không gian sử dụng.
-
Ứng dụng đa dạng: Sử dụng hiệu quả trong gia đình, văn phòng và công trình.
4. Ứng dụng thực tế
TX606KES được ứng dụng linh hoạt trong nhiều lĩnh vực. Với hộ gia đình, sản phẩm mang lại sự an toàn và tiện lợi. Trong môi trường doanh nghiệp hoặc công trình, TX606KES đảm bảo hiệu năng ổn định, giảm thiểu rủi ro sự cố và tiết kiệm chi phí vận hành.
Sự bền bỉ và đáng tin cậy của TX606KES cũng khiến sản phẩm trở thành lựa chọn ưu tiên trong nhiều không gian thương mại và dịch vụ.
5. Thông số kỹ thuật cơ bản
-
Hợp kim kẽm mạ crom sáng bóng, bền đẹp.
-
Kiểu lắp đặt: Lắp nổi trên bồn rửa.
-
Tính năng: Nóng lạnh 2 đường nước, cần gạt nhạy bén.
-
Bề mặt chống xước, dễ vệ sinh.
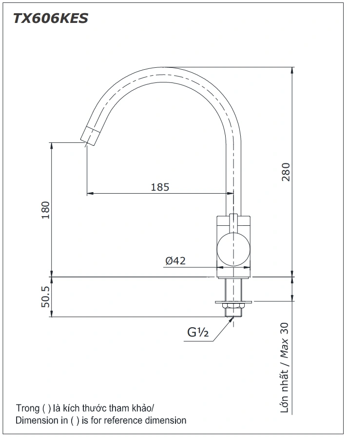
6. Bản vẽ kỹ thuật 2D vòi rửa chén bát lạnh TX606KES

7. Kết luận
TX606KES là giải pháp lý tưởng cho những ai đang tìm kiếm một sản phẩm vừa chất lượng, vừa tiết kiệm chi phí. Với ưu điểm về độ bền, hiệu suất và thiết kế hiện đại, TX606KES đáp ứng tốt nhu cầu sử dụng trong nhiều môi trường khác nhau.



